芯城品牌采购网 > 品牌资讯 > PC

思瑞浦四通道高精度DACTPC2884重磅来袭-芯城品牌采购网

作为高性能模拟与数模混合产品领域的核心供应商,思瑞浦3PEAK(股票代码:688536)全新推出四通道高精度集成数模转换器(DACTPC2884。该产品凭借卓越的性能表现,可广泛适配PLC/DCS、过程控制、工业自动化等核心场景,为精准控制需求提供可靠解决方案。TPC2884的核心优势十分突出,首先是超电源轨耐压与高精度输出:通过外接二极管实现超电源轨耐压能力,在AVDD=15V、AVSS=-1

芯城品牌采购网

5133

PCBAIR推出8层玻璃芯PCB技术,破解高速互联难题-芯城品牌采购网

AIHPC(高性能计算)领域算力需求爆发式增长的当下,“算力-带宽鸿沟”已成为行业核心痛点,高速互联技术的突破迫在眉睫。12月9日消息,深圳企业PCBAIR' target='_blank' style='text-decoration: none;'>PCBAIR于昨日正式宣布推出8层玻璃芯PCB制造技术,该技术创新性融合TGV(玻璃通孔)与多层RDL(重布线层),精准匹配AI/HPC领域封装级别的高速互联核心需求,为高端芯片封装提供了全新的国产化解决方案。这款8层玻璃芯PCB暗藏多重技术亮点,尤其

芯城品牌采购网

8376

狂涨145%!数据中心GPU卖疯,PC显卡稳增-芯城品牌采购网

11月25日,知名机构JonPeddieResearch(JPR)发布2025年第三季度市场观察报告,GPU市场呈现“冰火两重天”的鲜明格局:全球数据中心GPU出货量环比暴增145%,而PCGPU(含独立显卡与核心显卡)则以2.5%的环比增幅温和增长,同比提升4%。数据中心GPU的爆发式增长,背后是AI算力需求的持续井喷。随着大模型训练、自动驾驶、云计算等领域对高性能算力的需求激增,企业级GPU

芯城品牌采购网

6535

英伟达首款Arm架构PC芯片“N1X”曝光-芯城品牌采购网

6月11日消息,英伟达首款Arm架构PC芯片N1X”在Geekbench测试数据库曝光,20核CPU配置与3096/18837的单核/多核跑分超越高通骁龙XElite,标志着英伟达正式进军WindowsonArm平台,与高通展开正面竞争。技术规格:20核Arm架构对标顶级AIPC芯片测试数据显示,N1X基于Armv8指令集(或为检测误差,实际可能采用Armv9),搭载20核CPU(推测为10×C

芯城品牌采购网

15244

9月24日,三星宣布开发出首款基于第8代V-NAND闪存车载PCIe4.0SSD:AM9C1。三星的主要合作伙伴正在对256GBAM9C1车载SSD的样品进行测试,预计今年年底开始量产。三星还计划推出128GB到2TB等多种容量规格的AM9C1存储器产品阵容,其中2TB版本预计明年年初开始量产,以满足对高容量车载SSD日益增长的需求。该款SSD搭配5nm主控芯片,支持端侧AI功能,有着更高的性能

芯城品牌采购网

16721

FPC打样概况FPC打样,可拆分理解。FPC,即柔性线路板,打样,即生产制作产品样品,因此,FPC打样,即是在FPC柔性线路板大批量生产之前,为了确认电路设计、产品生产方案是否可行,而委托生产厂家进行的样品制作,一般生产数量很少。FPC打样厂商分布FPC属电子行业,电子行业又聚集在广东珠三角地区,尤其是深圳更成为了世界级的电子市场,因此,FPC厂商主要分布在深圳、东莞、中山、珠海等沿海地区。FPC

芯城品牌采购网

8713

FPC分板机分切原理工作中下模采用自动推拉,减轻劳动强度,更提高安全度,同时取放成品十分方便。应用于电子行业如手机板,内存卡,手机软线路等分割。对于大批量通槽式PCB基板和软性线路板(FPC)的分割,效率尤为显著。配备安全感应装备。配模具使用,换模具简单方便。FPC分板机功能特点结构紧凑,刚性特强,操作简单安全。可更换多款模具,且换模方便容易。下模自动进出,取放产品方便,成品可落入抽屉。将切板时产

芯城品牌采购网

8427

FPC连接器简介FPC翻译成中文就是:柔性印刷电路板,通俗讲就是用软性材料(可以折叠、弯曲的材料)做成的PCB连接器,用于LCD显示屏到驱动电路(PCB)的连接,主要以0.5mmpitch产品为主。0.3mmpitch产品也已大量使用。随着有LCD驱动器被整合到LCD器件中的趋势,FPC的引脚数会相应减少,市场上已经有相关的产品出现。从更长远的方向看,将来FPC连接器将有望实现与其它手机部件一同整

芯城品牌采购网

9999

FPC排线简介说到FPC排线,大家肯定了解或熟悉了FPC是什么?FPC按功能分,可分为很多种,如FPC天线、FPC触摸屏、FPC电容屏等,FPC排线就是其中的一种,通俗点说,FPC排线就是可在一定程度内弯曲的连接线组。FPC排线构成FPC排线因为是FPC的一种,因此,它的构成与FPC的构成相同。FPC一般是长条形的,两端设计成可插拔的针状,可直接与连接器相连或焊接在产品上。中间一般为线路,因为FP

芯城品牌采购网

16437

ClientSSD在过去两年作为推动全球NANDFlash需求位元成长的要角,TrendForce集邦咨询预估,2022年ClientSSD在笔电的渗透率达92%,2023年约96%。但随着疫情宅经济效应退场,加上总体经济不佳导致消费性电子需求急冻,未来ClientSSD将是需求放缓最明显的产品,连带使整体NANDFlash需求位元成长受限,估2022~2025年的年增率均低于30%。容量方面,2

芯城品牌采购网

9799

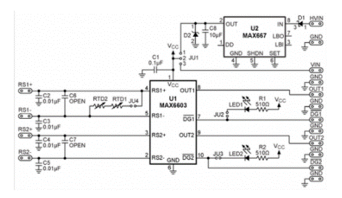
基于MAX6603信号调理器的PC温度测量系统的步骤-芯城品牌采购网

本应用笔记是基于PC的温度测量系统的参考设计。它使用MAX1396和MAX6603EVKIT,MAXQ2000微控制器和MAX6603信号调理器。该设计提供了一种简便的方法,无需复杂的转换公式即可从MAX6603获取温度读数。提供了原理图,框图和软件。简介该参考设计概述了如何使用MAX1396,MAX6603EVKIT和MAXQ2000评估基于MAX6603信号调理器的基于PC的温度测量系统的步骤

芯城品牌采购网

8343

光伏电源电路的PCB布局-芯城品牌采购网

我在这个项目中的目标是创建一个非常简单,非常紧凑的电路,可以为基于微控制器的嵌入式系统供电。该电路仅在充足照明的时间内有效,因为该设计不包括用于存储剩余能量的电容器或电池。在本文中,我将从电源原理图中了解电路的PCB布局。光伏电源的PCB布局下图显示了PCB顶部和底部的布局。所有组件和大部分痕迹和铜浇注都在顶部;底部主要是地平面。PCB尺寸微控制器是SiliconLabs的EFM8SleepyBe

芯城品牌采购网

8732

基于TC35T调制解调器和P87LPC767单片机实现短消息监控系统的设计-芯城品牌采购网

1引言近年来,随着移动通信事业的迅速发展,作为移动网的延伸和完善设备--直放站得到了迅速应用,直放站的位置常常处于偏僻的农村和山区,因此,维护很不方便,为了及时了解直放站的工作状态,开发了直放站监控系统。该系统的主要功能包括对直放站供电电源及射频输出功率等进行无线监控,以实现直放站系统无人值守时的故障告警以及控制等功能。直放站监控系统的基本原理是利用GSM无线蜂窝网络的广阔覆盖范围,借助于GSM网

芯城品牌采购网

9890

基于LPC2124芯片和GPRS网络实现终端系统程序的远程升级-芯城品牌采购网

引言用电现场监控终端是一种与多功能计量设备同步计量并全方位监控用电状况的智能化设备,在目前全国电力紧缺的情况下,起到了削峰填谷,提高电网运行效率的作用,尤其适合于对用电大户的用电监控。市场的需求和应用技术的成熟往往是矛盾的,用户总希望尽快用到功能完善、技术先进的产品,但从新技术到应用总有一个过程。这个过程的长短最大程度上决定了产品的市场前景,如果要好好把握市场,常常不得不一边开拓市场一边完善技术。

芯城品牌采购网

9586

A/D转换器所需的PCB布线策略-芯城品牌采购网

模数(A/D)转换器起源于模拟范例,其中物理硅的大部分是模拟。随着新的设计拓扑学发展,此范例演变为,在低速A/D转换器中数字占主要部分。尽管A/D转换器片内由模拟占主导转变为由数字占主导,PCB的布线准则却没有改变。当布线设计人员设计混合信号电路时,为实现有效布线,仍需要关键的布线知识。本文将以逐次逼近型A/D转换器和∑-△型A/D转换器为例,探讨A/D转换器所需的PCB布线策略。图1.12位CM

芯城品牌采购网

9855

基于MPC8245处理器和BCM56500芯片实现交换型路由器的设计-芯城品牌采购网

随着用户需求和网络技术的发展,高速率高端口密度的多层IP路由交换功能的应用已经越来越广泛了。由于实现三层以上路由功能的判据较为复杂,传统的路由器采用软件实现路由功能,由高性能的CPU同时实现控制平台和数据通道。自从三层交换的概念提出以来,主要的技术可以分为两类:路由型交换机和交换型路由器。路由型交换机通过各种技术来发现、建立和缓存路由捷径来实现路由加速功能。一般情况下路由型交换机不实现大型动态路由

芯城品牌采购网

9200

基于微处理器LPC2131和GSM模块实现无线测控系统的设计-芯城品牌采购网

1引言随着嵌入式计算机技术、通信技术的发展,人们对无线测控技术的要求也在不断提高,测控技术也依托于强大的网络通信技术的发展而应用列各行各业。传统的数字调制系统编解码技术(如FSK,ASK,PSK,DPSK等)已经非常成熟,各种编码、解码技术已广泛应用与各种电子产品中,而日.通信过程中抗干扰能力强,准确度高。近几年随着移动通信网络技术日益强大,手机短消息业务得到了飞速发展,并且手机短信业务的成本也在

芯城品牌采购网

9153

沉金PCB焊盘不润湿问题分析-芯城品牌采购网

随着无铅化产业的推进,沉金工艺作为无铅适应性的一种表面处理已经成为无铅表面处理的主流工艺。沉金也叫无电镍金、沉镍浸金或化金,是一种在印制线路板(PCB)裸铜表面涂覆可焊性涂层的工艺,其集焊接、接触导通、打线和散热等功能于一身,满足了日益复杂的PCB组装焊接要求,受到PCBA(printedcircuitboardassembly,即PCB组装)客户的广泛亲睐。但随着无铅焊接峰值温度的提高,使焊接工

芯城品牌采购网

8862

目前,不少企业都终止了在俄罗斯的业务,包括产品销售。在PC领域,像是头部企业惠普、戴尔等均暂停供应台式机、笔记本等整机产品,华硕、NVIDIA等也暂停出口业务。不过,在俄罗斯国产电脑尚不能撑起一片天之前,消费者依然需要更主流的硬件来维修或者升级电脑。当地媒体报道称,今年前9个月,俄罗斯台式机和笔记本相关组件的销量增长了2到4倍,包括显卡、处理器、内存、固态硬盘、机械硬盘、主板、机箱等。当然,部分供

芯城品牌采购网

9346

2月15日,景旺电子发布公告称,基于自身发展需要,为扩大市场规模,满足客户对高端产能需求,提升公司高端产品供应能力及市场占有率,拟与信丰县人民政府签订《信丰县人民政府与深圳市景旺电子股份有限公司关于新建高多层PCB智能制造基地项目投资合同书》。景旺电子计划在江西信丰高新技术产业园区投资新建高多层PCB智能制造基地项目,并在信丰县人民政府辖区内设立全资子公司,具体负责项目建设运营(全资子公司名称及经

芯城品牌采购网

10724

12月23日,惠州中京电子科技股份有限公司(以下简称“中京电子”)发布公告称,公司决议在泰国投资新建印制电路板(PCB)生产基地。该项目计划投资金额不超过人民币5.5亿元,包括但不限于购买土地、购建固定资产等相关事项,实际投资金额以中国及当地主管部门批准金额为准。投资资金来源于公司自有资金和自筹资金。中京电子计划购买位于泰国洛加纳大城工业园中的面积约150亩的土地,拟分阶段实施建设泰国生产基地,并

芯城品牌采购网

10171

基于协议转换芯片PCI9054与FPGA实现PCI通信接口的设计-芯城品牌采购网

1引言PCI,外设组件互连标准(PeripheralComponentInterconnection)是一种由Intel公司1991年推出的用于定义局部总线的标准,自规范推出,得到网络通信,数据采集处理,工业控制等多行业的广泛应用,并出现PCI-E。CPCI,PXI等多个扩展改良版本。PCI总线支持其即插即用,中断共享,高速数据传输等功能,有着广阔的市场前景。本文介绍了目前使用美国PLX公司生产的

芯城品牌采购网

11170